砂石生产线设备生产厂家破碎机制造销售企业

全国咨询热线全国咨询热线:400-820-2021

新闻中心

反击式破碎机电气控制柜电气原理简述

        反击式破碎机需要电气控制柜来操控设备的启动和关闭,并且在维修时也需要控制柜电源的关闭控制,因此,电气控制柜对于破碎设备是非常重要的配套设备,今天应前不久有个客户需要这方面的资料,特分享一下恒源反击式破碎机的电路控制原理图,以便协助对方工作。以下分三部分简述以下反击破电气控制柜的基本知识:

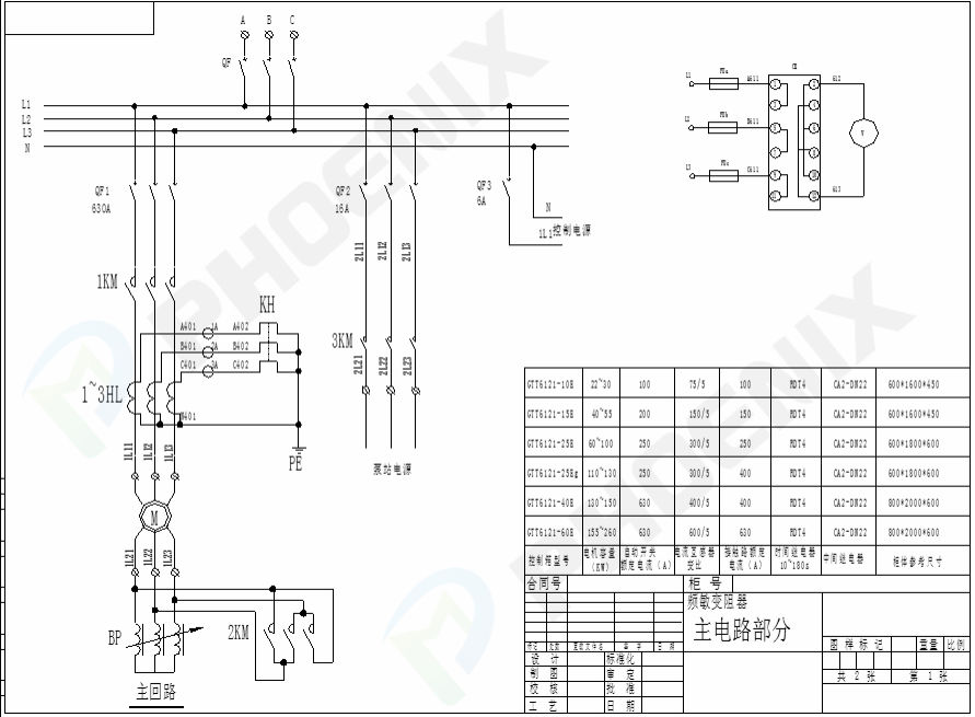
一、主电路部分
主电源由自动空气开关QF提供,自动开关QF1提供主电机电源,QF2提供泵站电源,QF3提供控制回路电源,交流接触器1KM、2KM、频敏变阻器BP完成主电机的启、停,3KM控制泵站电源。
 
主电路图
图一:反击破主电路图
 
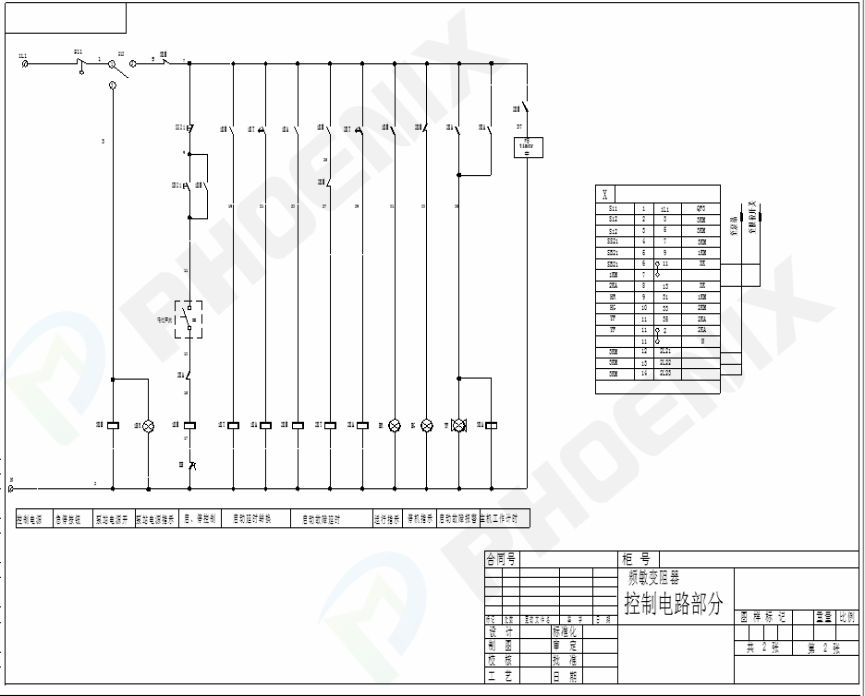
反击破控制电路图
图二:反击式破碎机控制电路图
 
二、控制柜电气控制原理
1、启动:当主设备在可运行状态下,限位开关XK处于闭合位置,此时合上QF、QF1、QF3,把选择开关S12旋至工作位置,绿色信号灯HG亮,按下启动按钮SB21,1KM得电并自锁,主电机M在转子接入频敏变阻器BP的情况下启动,并缓漫加速,同时时间继电器1KT得电(1KT延时时间整定不能大于90秒),2KT得电(2KT延时时间大于1KT延时时间5~10秒),1KT延时时间到1KA得电、2KM得电,频敏变阻器BP被切除,主电机M启动结束进入正常工作;同时2KM得电断开2KT,2KT结束延时计时,绿色信号灯HG熄灭,红色信号灯HR亮,计时累加器time开始累计主机工作时间。
2、停机:按下停止按钮SS21,1KM失电,1KT、1KA、2KM同时失电,主机M自由停机,紧急停止按钮S11在紧急情况下便于操作。
3、保护:本电路设计得有过载、过流、短路保护,同时有启动异常保护,以免烧毁频敏变阻器,该保护由2KT、2KA完成,既:启动时1KM叩合,1KT、2KT同时得电并开始延时,但1KT延时时间比2KT短(一般可调短5~10秒),如果启动过程中1KT按时动作,但由于某种原因2KM未能吸合,频敏变阻器BP处于超时工作达到2KT延时时间后,2KA得电吸合,其触点2KA(13、15)断开,1KM失电切断电动机主回路,使频敏变阻器BP退出工作状态免于烧毁,同时2KA触点(7、35)接通声光报警器YF工作,说明启动有启动超时故障,应及时处理。
 
 
电气控制柜
 
三、检修注意事项
在主电机检修时,必须断开自动空气开关QF1,合上QF2,将选择开关S12旋至揭盖位置,3KM得电,泵站电源接通,即可以进行揭盖检修,揭盖后限位开关XK断开,保证主电机不能启动,检修完毕后,合上盖子,XK闭合,表示设备处于可运行状态。

以上技术资料发布于中国大型破碎机、制砂机生产厂家:上海恒源冶金设备有限公司,转载此文请注明文章来源。

返回首页

关键词标签:反击式破碎机,电气控制柜,电气原理



上一篇:技术解析|怎么更换制砂机的反击板 下一篇:CF反击破和普通反击式破碎机两种机型的区别是什么?

相关文章
相关资讯


2020-03-27
导读:本文是上海恒源冶金设备有限公司向客户免费提供的时产300吨石灰岩...[详细]
2024-12-20
PF系列反击式碎石机是国内外广泛应用的一种机型,具有结构简单、破碎效...[详细]
2019-05-10
  液压圆锥破碎机未来粉碎行业的佼佼者  液压圆锥破碎机在未来的开...[详细]

版权所有:上海恒源路桥集团有限公司 http://ozelders.cc

62彩集团(中国区)官方网站 639CC2全民彩 - 首页 百瑞彩票网 狗子28 佰富彩-主页 cy888彩运网-首页